пн-пт: с 9:00 до 18:00
Мурманск
Ваш регион - Мурманск?

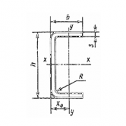
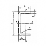
Балка 20 К1 Ст.3сп/пс5

Продажа оптом балка 20 К1 Ст.3сп/пс5 от компании «ТД МегаСталь». Широкий выбор в нашем каталоге от производителя. Доставка по Мурманске. Низкая цена за метр и тонну. Гарантия качества!
Балка 20 К1 Ст.3сп/пс5
Характеристики:
Марка стали: 3сп/пс5
Номер балки: 20 К1
Длина: 12 м
ГОСТы: Р 57837

Цена за тонну : 85 300 pуб.

Возможность доставки в день заказа
Бесплатная резка

Балки двутавровые 20 К1 Ст.3сп/пс5

Двутавровые балки 20 К1 Ст.3сп/пс5 — один из видов металлопроката с Н-образным сечением. Производится по ГОСТ Р 57837-2017. Форма позволяет сохранить прочность и несущую способность, облегчить крепление сверху других материалов — стальных листов, швеллера, прочего. Изготавливается из двух видов стали: Cт3 и 09Г2С.

Среди основных областей использования:

  • Создание перекрытий в жилых, административных зданиях, производственных цехах, ангарах.
  • Установка опорных колонных металлоконструкций, принимающих сильные вертикальные нагрузки.
  • Строительство мостов любой протяженности.
  • Армирование каркасов шахт, других подземных сооружений.
  • Размещение подвесных путей для кранов.
  • Монтаж рамных конструкций для различных видов транспорта — от экскаваторов и авто до железнодорожных вагонов.

Сортамент и маркировка двутавровой балки 20 К1 Ст.3сп/пс5

Продукция классифицирована по трем параметрам:

  • Тип расположения полок. Выпускается двутавр с параллельными полками.
  • Метод производства. Поставляются сварные и горячекатаные разновидности.

В маркировке указываются номер балки и марка стали, по которой она исполнена. Он соответствует набору основных характеристик изделия — это вес (на один погонный метр), площадь сечения, осевой момент сопротивления инерции и статистический момент.

Преимущества стального двутавра

  • Хорошая несущая способность.
  • Удобство горизонтального или вертикального крепления других видов материалов.
  • Износостойкость.

Среди строителей товар популярен, потому с двутавром удобнее всего работать по сравнению с другими видами металлических балок. Всегда можно найти вариант под ваш тип металлоконструкции или строения.

Звоните или пишите нам, чтобы оптом купить двутавровые балки 20 К1 Ст.3сп/пс5 в Мурманске. Товар соответствует ГОСТ. Оставьте заявку на сайте или позвоните. Сотрудник рассчитает цену и согласует время доставки партии.

Доставка по Москве и области

Заказ по Москве и Московской области доставим на следующий день после его оплаты. За наличный расчет возможна отгрузка товаров в день обращения. Стоимость перевозки зависит от грузоподъемности автомобиля и удаленности адреса от МКАД.

Доставка в регионы

В другие города России доставляем заказы надежными транспортными компаниями, например «Деловые линии» или «ПЭК». Менеджер рассчитает стоимость перевозки и передаст документы представителям ТК. Срок транспортировки зависит от удаленности места назначения.

Оплата

Мы предлагаем вам два варианта оплаты:

  • безналично
  • банковским переводом

Работаем по предоплате. Постоянным заказчикам в индивидуальном порядке готовы предложить рассрочку.

Оплатить товары можно при самовывозе со склада.

Реквизиты для расчетов

  •   Производство профнастила
  •   Лазерная резка металла
  •   Плазменная резка металла
  •   Поперечная резка рулонной стали
  •   Продольная резка рулонной стали
  •   Гибка металла
  •   Окрашивание рулонной оцинкованной стали
  •   Двутавровые сварные балки

Рассчитайте свой заказ

* - обязательные для заполнения поля

Вы недавно смотрели

© ООО «ТД «МегаСталь», 2014–2026

WebCanape - создание сайтов, контекстная реклама и продвижение

Мы в соцсетях:
Адрес: г. Москва, ул. Барклая, 6с5
8 800 200 01 82